护理系
学院首页
丨
设为首页
丨
加入收藏
网站首页
系部概况
护理系简介
教研室设置
师资团队
规章制度
专业介绍
新闻动态
系部新闻
天使风采
通知公告
教学科研
教学工作
在线课程
实训资讯
技能竞赛
学术科研
实习管理
技能证书考试
执业资格考试
党政工作
规章制度
党建动态
党员发展
理论学习
组织架构
党员风采
工会活动
党总支书记邮箱
主题党日活动
学生工作
规章制度
系团委
系学生会
奖助贷工作
班级管理
创新创业
专业文化
历史文化
专业长廊
专业交流
社会服务
技术培训
专业咨询
资料下载
规章制度
护理系简介
教研室设置
师资团队
规章制度
专业介绍
您现在的位置是🦹🏻♀️:
主页
>
机构设置
>
教学机构
>
护理系
>
系部概况
>
规章制度
>
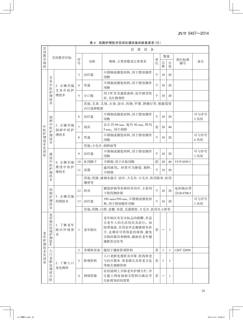
护理专业仪器设备装备规范
护理专业仪器设备装备规范.pdf
Copyright © 2015-2022 彩神
彩神学校地址:广东省茂名市电白区电海街道安乐东路1号
网站备案号:粤ICP备98496739号
技术支持:教育技术与网络中心
招生办公室💟:0668-2902527
学院党政办公室:0668-2904258
彩神学校网址:m.cq6616.com
彩神推荐信誉平台
🔊祝大哥2025新的一年里蛇转乾坤,旗开得胜,一路长红,财运缠身,前程似锦,一路辉煌💸💸
彩神-官网登录
🔥新平台开业,注册开户,待遇丰厚
彩神ll手机注册
高赔率,首存豪礼,彩票包赔
彩神8开户
注册绑卡有礼,超高反水,信誉保障
彩神争霸平台
多种彩票玩法,最权威彩票游戏平台
🔊🔊🔊
彩神cs官网
提供
快3
、
时时彩
🧊、
六合彩
、
赛车
🦮、
棋牌游戏
🚣🏿♂️、
彩票投注
等各类游戏娱乐
打造顶级的网上娱乐平台,界面美观,速度快,服务优质,安全稳定,带给您最佳游戏体验。
全网最佳信誉平台真诚欢迎您!!!
更多87彩票网担保平台
彩神专业提供:
彩神
、
、
等服务,提供最新官网平台、地址、注册、登陆、登录、入口、全站、网站、网页、网址、娱乐、手机版、app、下载、欧洲杯、欧冠、nba、世界杯、英超等,界面美观优质完美,安全稳定,服务一流,彩神欢迎您。
彩神